| Status ketersediaan: | |
|---|---|
| Kuantitas: | |
Perkenalan
DSI Direct UHT Unit adalah sistem perlakuan panas canggih yang dirancang khusus untuk industri makanan dan minuman. Fungsi utama DSI Direct UHT Unit adalah untuk mensterilkan produk cair dengan cepat dan efisien, memastikan keamanan dengan menghancurkan mikroorganisme berbahaya sambil mempertahankan nilai gizi, rasa dan warna produk. Unit UHT langsung DSI ini biasanya digunakan untuk cairan seperti susu, jus, minuman, sup dan saus.
>> fitur
Teknologi Pemanasan Langsung: DSI Unit UHT langsung menggunakan injeksi uap langsung untuk memanaskan cairan. Uap disuntikkan langsung ke dalam produk, dengan cepat menaikkan suhunya ke tingkat sterilisasi yang diinginkan. Metode ini lebih cepat daripada pemanasan tidak langsung (seperti menggunakan penukar panas pelat) dan memungkinkan efisiensi energi yang lebih baik dan waktu pemrosesan yang lebih cepat.
Sterilisasi yang sangat efisien: unit UHT langsung DSI ini memanaskan cairan untuk suhu ultra-tinggi (biasanya antara 135 ° C dan 150 ° C) dalam waktu yang sangat singkat, secara efektif membunuh bakteri, ragi, jamur dan patogen lainnya. Pemanasan yang cepat ini meminimalkan waktu produk yang terpapar panas, menjaga kualitas sensorik dan kandungan nutrisi.
Desain Hemat Energi: DSI Direct UHT Unit dirancang dengan mempertimbangkan efisiensi energi. Ini fitur pemanfaatan uap yang dioptimalkan dan sistem pemulihan panas canggih yang menangkap dan menggunakan kembali energi termal untuk memanaskan produk yang masuk, mengurangi konsumsi energi secara keseluruhan dan meningkatkan efisiensi operasional.
Kontrol suhu yang tepat: Unit UHT langsung DSI mencakup mekanisme kontrol suhu tingkat lanjut yang secara tepat menyesuaikan suhu dan waktu pemrosesan, memastikan setiap batch diproses dengan standar kualitas dan keamanan yang tepat.
Operasi Otomatis: Unit UHT sepenuhnya otomatis dan dapat dengan mudah diintegrasikan ke dalam jalur produksi. Unit UHT DSI Direct mencakup PLC (pengontrol logika yang dapat diprogram) dengan antarmuka layar sentuh, memberikan pengguna pemantauan waktu nyata dan kontrol proses sterilisasi. Otomatisasi ini mengurangi kebutuhan untuk intervensi manual, meminimalkan kesalahan manusia dan meningkatkan efisiensi operasional.
Bahan Premium: Unit UHT DSI Direct terbuat dari stainless steel dan bahan grade makanan lainnya untuk memastikan kebersihan dan umur panjang. Ini dirancang untuk pembersihan dan pemeliharaan yang mudah, mengurangi risiko kontaminasi silang antar batch.
Aplikasi Serbaguna: DSI Direct UHT Unit cocok untuk digunakan dengan berbagai makanan dan minuman cair, termasuk produk susu (misalnya susu, krim), jus, sup, saus dan minuman rasa. Sangat efektif untuk produk dengan persyaratan sterilisasi yang ketat, seperti produk susu dan minuman asam tinggi.
Keuntungan
Kualitas Produk Superior: Metode injeksi uap langsung memastikan kenaikan suhu yang cepat, membantu menjaga rasa, warna, dan kandungan nutrisi produk Anda sambil secara efektif mensterilkannya.
Kehidupan rak yang diperluas: Sterilisasi UHT secara signifikan memperpanjang umur simpan produk tanpa perlu pengawet atau pendinginan, membantu mengurangi limbah dan meningkatkan stabilitas produk.
Biaya operasi yang lebih rendah: Desain hemat energi dan sistem otomatis membantu mengurangi konsumsi energi dan biaya tenaga kerja. Sistem pemulihan panas canggih semakin mengurangi biaya operasi secara keseluruhan.
Fleksibel dan mudah beradaptasi: DSI Direct UHT Unit dapat dengan mudah diadaptasi untuk menangani berbagai produk cair, menjadikannya solusi serbaguna untuk berbagai aplikasi makanan dan minuman.
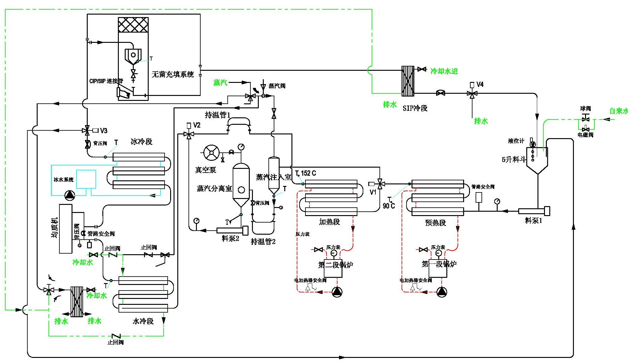
>> Diagram skematik sterilisasi injeksi uap :
>> Flowchart

Parameter teknis
Kisaran Suhu Pemanasan: 135 ℃ hingga 150 ℃
Kapasitas pemrosesan: Bervariasi tergantung pada model, biasanya ratusan hingga ribuan liter per jam.
Metode Pemanasan: Menyuntikkan uap langsung ke dalam produk.
Sistem Kontrol: Otomasi berbasis PLC dengan antarmuka layar sentuh; Pemantauan jarak jauh mungkin.
Fungsi Keselamatan : Termasuk perlindungan suhu berlebihan, alarm tegangan tinggi dan mekanisme keselamatan lainnya.
Bahan: Terbuat dari stainless steel berkualitas tinggi dan bahan grade makanan lainnya.
>> Konfigurasi
|
|
| Keuntungan:
|
|
|
|
|
| Fungsi kontrol level hopper
|
|
|
|
|
Aplikasi
Produk susu (susu, krim, yogurt)
Jus buah dan minuman
Sup dan saus
Minuman beraroma dan minuman non-susu
Sup dan saus siap saji

Melayani
Garansi satu tahun
Instalasi dan debugging di situs
Layanan Uji Sampel Material oleh Mesin Sterilisasi Lab kami
Layanan aksesori pasteurizer jangka panjang
>> FAQ
T: Apa itu unit UHT DSI Direct?
A: Unit UHT langsung (suhu ultra-tinggi) adalah sistem perlakuan panas yang digunakan untuk mensterilkan makanan dan minuman cair dengan memanaskan dengan cepat hingga suhu ultra-tinggi (biasanya 135 ° C hingga 150 ° C) dalam waktu yang sangat singkat. Proses ini membunuh mikroorganisme berbahaya sambil menjaga rasa, warna, dan nilai nutrisi produk.
T: Bagaimana cara kerja unit UHT langsung DSI?
A: Unit UHT langsung menggunakan uap untuk menyuntikkan panas langsung ke dalam produk, dengan cepat menaikkan suhunya ke tingkat sterilisasi yang diinginkan. Uap bercampur dengan produk dan panas uap mensterilkan cairan. Pemanasan cepat meminimalkan paparan panas dan mengurangi kehilangan rasa dan nutrisi.
T: Berapa kapasitas unit UHT DSI Direct?
A: Kapasitas unit tergantung pada model spesifik. Ini dapat memproses ratusan hingga ribuan liter per jam. Model khusus dapat dirancang untuk memenuhi kebutuhan produksi tertentu.